Product Summary
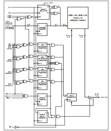
The IS61SF25632T-9TQI is a high-speed, low-power synchronous static RAM. It is designed to provide a burstable, high-performance, secondary cache for the Pentium TM, 680X0 TM, and PowerPC TM microprocessors.
Parametrics
Absolute maximum ratings: (1)Temperature Under Bias:–40℃ to +85℃; (2)Storage Temperature:–55℃ to +150℃; (3)Power Dissipation:1.6 W; (4)Output Current (per I/O):100 mA; (5)Voltage Relative to GND for I/O Pins:–0.5V to VCCQ+0.3V; (6)Voltage Relative to GND for Address and Control Inputs:–0.5V to VCC + 0.5V; (7)Voltage on Vcc Supply Relatiive to GND:–0.5V to 4.6 V.
Features
Features: (1)Internal self-timed write cycle; (2)Individual Byte Write Control and Global Write; (3)Clock controlled, registered address, data and control; (4)Pentium or linear burst sequence control using MODE input; (5)Three chip enable option for simple depth expansion and address pipelining; (6)Common data inputs and data outputs; (7)JEDEC 100-Pin TQFP and 119-pin PBGA package; (8)Single +3.3V, +10%, –5% power supply; (9)Power-down snooze mode; (10)3.3V I/O for SF; (11)2.5V I/O for LF; (12)Snooze MODE for reduced-power standby; (13)T version (three chip selects); (14)D version (two chip selects).
Diagrams

![]() |
![]() IS61(64)LF12832A |
![]() Other |
![]() |
![]() Data Sheet |
![]() Negotiable |
|
||||
![]() |
![]() IS61(64)LF12836A |
![]() Other |
![]() |
![]() Data Sheet |
![]() Negotiable |
|
||||
![]() |
![]() IS61(64)LF25618A |
![]() Other |
![]() |
![]() Data Sheet |
![]() Negotiable |
|
||||
![]() |
![]() IS61(64)LPS12832A |
![]() Other |
![]() |
![]() Data Sheet |
![]() Negotiable |
|
||||
![]() |
![]() IS61(64)LPS12836A |
![]() Other |
![]() |
![]() Data Sheet |
![]() Negotiable |
|
||||
![]() |
![]() IS61(64)LPS25618A |
![]() Other |
![]() |
![]() Data Sheet |
![]() Negotiable |
|
||||
(Hong Kong)






